公司动态

公司动态

当前位置:首页 > 公司动态 > 公司新闻 >MEPM解码苏州东太湖皇冠假日酒店:如何实现体验升级+成本能耗双降?

MEPM解码苏州东太湖皇冠假日酒店:如何实现体验升级+成本能耗双降?

2025-07-08 17:30:00

在酒店林立的苏州,一座以“商务亦休闲”为核心理念的五星级酒店——苏州东太湖皇冠假日酒,因其优越的地理位置、豪华的装修风格和优质的服务脱颖而出,成为众多旅客的首选。


图片


苏州东太湖皇冠假日酒店不仅荣获洲际酒店集团颁发的“卓越新开业酒店奖”,更在荟集平台2025酒店行业颁奖盛典上摘得“年度艺术豪华设计酒店”奖。


当宾客们沉醉于其艺术氛围与湖光山色之时,很少有人意识到,这座高端酒店的“心脏”和“血脉”——机电系统,正是支撑其卓越体验的幕后功臣。


作为该项目的机电顾问——上海柏衡机电设计事务所有限公司,我们通过创新“设计+”服务(设计+顾问咨询,设计+成本控制)和精细化管控,不仅解决了多项技术难题,更为业主节省了约20%的工程造价,同时大幅降低运营成本。


让我们一同走进苏州东太湖皇冠假日酒店,揭秘机电设计背后的奥秘,探寻机电顾问在酒店建设中的关键作用。


图片




NEW BENCHMARK

太湖之滨的“摩登商旅”新标杆

图片


苏州东太湖皇冠假日酒店坐落于太湖新城核心商务区,紧邻苏州湾东地铁站,交通便利且坐拥一线湖景,地理位置得天独厚,与商旅会务及都市度假宾客共享城市便利。



图片


酒店以“吴风雅韵”为设计灵感,将太湖的自然元素与人文历史融入现代建筑语言,为宾客营造出舒适、便捷且富有地域特色的高端商务与休闲体验。其“双塔楼+裙楼”布局(西塔为皇冠假日酒店,东塔为智选假日酒店),更成为城市天际线中的一道风景。


项目总建筑面积约91052.41平方米,其中地上建筑面积约61247.98平方米(包含西塔楼的皇冠假日酒店建筑面积约45399.76平方米,以及东塔楼的智选假日酒店建筑面积约16027.43平方米),地下建筑面积约29804.42平方米(皇冠假日酒店和智选假日酒店公用后场和地下车库)。


图片


241间新一代“摩登商旅”客房及套房通过智能控制系统实现“人来灯亮、人走节能”的智慧体验,还配备完善的宴会厅、中西餐厅、室内恒温泳池、高端SPA馆及健身中心等设施,行政酒廊更以“国内标杆”级服务成为商旅宾客的社交新地标。


项目信息 / PROJECT INFO.

项目名称

苏州东太湖皇冠假日酒店及智选假日酒店

项目业主

苏州恒泰酒店管理有限公司

项目规模

91052.41 sqm

服务范围

机电系统、弱电智能化系统

服务内容

机电系统及弱电智能化系统全过程设计顾问服务。





THREE ADVANTAGES

三大优势重新定义高端酒店

图片



艺术与功能的完美平衡 /  BALANCE


苏州东太湖皇冠假日酒店的设计从太湖文化中汲取灵感,将自然景观与人文风情融入现代设计之中,打造出极具艺术感和文化内涵的酒店空间,为宾客带来耳目一新的视觉享受。


图片图片




全生命周期成本优化 /  COST


1、通过模块化设计和预制化施工,将传统酒店机电工程周期缩短15%


2、通过设备选型优化,实现全生命周期运维成本降低20%


3、能耗成本(水电气能耗支出约占总营收的‌‌5%)较同级酒店(五星级酒店平均能耗成本为10%)低50%。


图片




可持续发展的先锋实践 /  ESG


酒店充分利用当地丰富的太阳能资源,采用绿色能源产生的热力,替代锅炉50%~90%的能源消耗,能够节省使用锅炉所产生的费用;经济效益高,且无排放、无污染。






CREATE VALUE

机电顾问在隐秘处创造价值

图片



机电系统是酒店的“生命线”,却常因隐于幕后而被忽视。苏州东太湖皇冠假日酒店的机电设计,通过三大核心系统的优化,实现了能耗降低50%、工程造价减少约20%的突破。



给排水 /  从节水到循环的革新


· 挑战


酒店日用水量超500吨,传统设计难以满足节水与水质要求。



· 解决方案


1、采用分区供水+变频泵组:根据楼层压力需求动态调整流量,节水率达18%;


2、屋面及平台雨水经收集后进入膜处理中水系统,回用于绿化灌溉、水景和道路车库冲洗,年节约自来水用量超2万吨,不仅有效节约了宝贵的淡水资源,还降低了酒店的用水成本,体现了酒店的环保理念和社会责任;


3、智能水控:卫生间采用红外感应龙头与双档马桶,节约用水,避免浪费;


4、防污染设计:生活水箱采用不锈钢材质并配备自洁和紫外线消毒装置,确保水质安全;


5、恒温供水设计:客房热水系统前端设置智能混水装置,保证用水点水温和水压稳定,防止高温烫伤。


图片

( 示意图 )


另外,在生活热水供应上,充分利用当地丰富的太阳能资源(年均总辐射量在1200~1500kWh/㎡)和酒店周边无高大建筑遮挡的特点,在东、西塔楼屋面设置太阳能集热板,可满足酒店厨房、洗衣房、后勤公区和低区客房热水需求。


此方案利用绿色能源产生的热力,替代锅炉50%~90%的能源消耗,能够节省使用锅炉所产生的费用;经济效益高,且无排放、无污染,是节能减排的首选。


图片

(太阳能集热板)


皇冠酒店品牌对供水品质和水资源利用有着严格要求,柏衡机电通过建立可持续发展的节水——循环生态链,相当于每年节省30个标准游泳池水量





暖通空调 / 能效与体验的双重升级


· 挑战


酒店餐饮蒸汽需求为1.3T/h,洗衣房蒸汽需求为0.7T/h,合计2.0T/h,蒸汽耗量很大。常规餐饮蒸汽采用电热蒸汽设备,大量的餐饮蒸汽需求,如果采用电热设备提供运行能耗将很大。



· 解决方案


本项目洗衣房及餐饮蒸汽需求采用燃气蒸汽锅炉:


1、蒸汽锅炉采用烟气热回收先进技术可实现高达97%的热效率,可以降低运行成本;


2、蒸汽锅炉采用燃气为燃料,燃气热值大,苏州燃气价格为3.32元/立方米,电价0.844元/度,燃气蒸汽锅炉运行费用约为电热蒸汽发生器的50%,大大降低了蒸汽的运行成本。


图片

(酒店蒸汽锅炉系统流程图)


另外,冷冻水系统、热水系统采用一次泵变流量系统,水泵采用变频控制,根据负荷情况调整水泵的流量,从而节省泵的运行费用;


当功率大于4KW的空调通风电机根据需要设置变频,结合智能化控制系统,节约运行费用;


全空气空调系统在过渡季尽量加大新风量至70%,利用室外新风实现免费制冷,人员密度变化较大的宴会厅等设置CO2传感器,其空调机组可根据人员密度的变化变新风量运行,节约能耗;


客房新风采用显热回收型新风机组,并按约80间客房分区设置系统,根据客房入住情况运营,大大降低运行费用。



图片

图片

(燃气蒸汽锅炉)(显热回收型新风机组)


柏衡机电创新采用蒸汽锅炉“烟气热回收+燃气蒸汽锅”组合,水泵、空调通风电机、空调机组等变频设备如同为建筑装上“变频空调”,既保证智能化控制,又节约运行费用,同时需满足洲际集团高效节能标准。




供配电 / 高效与节能的平衡架构


· 挑战


酒店作为24小时运营的能耗大户,需同时满足高峰期用电需求(如宴会厅、空调系统)与日常节能要求。


· 解决方案


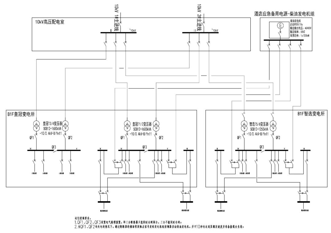
1、高端酒店对供电连续性要求极高,任何断电都可能造成重大影响,因此我们采用双回路10kV市政电源供电,并在高压侧实现单母线分段运行,确保任意一路故障时仍能维持酒店基本运营;


图片

(高低压配电主接线示意图)


2、根据实际用电负荷需求,合理选择酒店用电指标,在确保酒店良好运营的前提下,尽力做到供电容量及变压器选型负载率合理,不超标,不浪费;本项目总体用电指标96VA/㎡(本项目1~4F有大量的密集用电负荷的餐饮及宴会厅);


3、节能型配电:客房层采用插接式母线槽树干式供电,相比传统电缆敷设方式,节省约30%的铜材使用量,同时降低线路损耗;


4、智能化照明控制 :在公共区域及客房均采用了智能化照明控制系统。该系统可根据不同的时间段、场景需求以及室内外光照强度等因素,自动调节灯光的亮度和开关状态,不仅营造出舒适、宜人的光环境,还有效降低了能源消耗,实现了节能与舒适的完美平衡;



图片

图片

(智能照明系统图)(客房智能客控系统)



5、高效节能、寿命长、环保无污染、光效好的洁净光源LED灯覆盖全酒店;


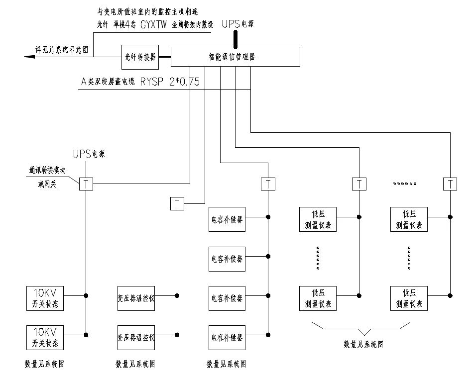
6、变电所内设置电能监控系统,实时监测各区域用电数据,通过负荷预测动态调整变压器运行状态。


图片

(1#/2#变电所变电所电力监控分系统示高图)


供配电系统好比酒店的“心脏”,柏衡机电采用智能客控系统,像“自动驾驶”般动态调整用电模式,年省电费超百万元



机电系统的卓越表现已成为苏州东太湖皇冠假日酒店的核心竞争力之一。开业至今,酒店能耗成本低于行业平均水平50%,为宾客提供了始终如一的舒适体验。





MEP CONSULTANT

酒店建设的隐形总指挥

图片


正如电影幕后团队决定作品品质,机电顾问在酒店建设中扮演着“技术导演”角色。作为苏州东太湖皇冠假日酒店的机电顾问,柏衡机电从全生命周期成本出发,平衡设计、施工与运营需求,通过成本分析和创新设备选型,在保障客人体验的同时为酒店节省了约20%的工程造价



01 关键决策作用

图片


在酒店的规划设计阶段,柏衡机电凭借专业的知识和丰富的经验,对机电系统的设计方案提出科学合理的建议,为酒店业主做出关键决策提供有力支持。


例如,在确定供配电系统的设计参数时,柏衡机电综合考虑酒店的规模、功能需求、当地的电力供应情况以及未来的扩展性等因素,为酒店选择最合适的供电方案和设备配置。


图片



02 系统优化设计

图片


柏衡机电可以对酒店的机电系统进行优化设计,确保各系统之间的协调运行和高效配合。通过对暖通空调系统、给排水系统、供配电系统等的深入研究和分析,能够发现潜在的问题和优化空间,并提出相应的解决方案,从而提高系统的整体性能,降低能耗和运营成本。


图片



03 成本控制与效益提升

图片


在施工阶段实施全周期现场技术服务,柏衡机电深度参与施工过程,提供专业技术指导与协调支持,确保机电系统精准落地,从而大幅减少施工错误导致的返工和拆改,有力保障项目成本效益,实现建设成本的有效控制。


同时,通过优化机电系统的设计,提高能源利用效率,降低酒店的长期运营成本,为酒店带来更大的经济效益。


图片


保障酒店运营质量:可靠的机电系统是酒店正常运营的基础保障。柏衡机电在项目的设计和施工阶段,严格把关机电设备的质量和安装工艺,确保各系统在酒店运营过程中的稳定性和可靠性。


这不仅能够避免因机电故障导致的酒店服务中断和客户投诉,还能提高酒店的整体运营质量和服务水平,提升宾客的入住体验和满意度。




CLIENT

成就卓越的关键因素

图片


作为吴江区“拿地即开工、竣工即营业”的重点项目,苏州东太湖皇冠假日酒店的成功离不开业主方苏州恒泰酒店管理有限公司的远见卓识与大力支持,业主以本土资源整合能力和长期运营视角为项目赋能。


图片


“ 丰富的行业经验

业主在酒店行业拥有多年的投资、开发和运营管理经验,对酒店市场的趋势和客户需求有着敏锐的洞察力和深刻的理解。这使得他们在酒店的规划、设计、建设和运营过程中能够做出科学、合理的决策,为酒店的成功奠定了坚实的基础。



“ 强大的资源整合能力

凭借广泛的行业人脉和丰富的资源网络,业主能够整合各方优势资源,包括设计团队、施工队伍、供应商等,确保项目的顺利推进。在苏州东太湖皇冠假日酒店的建设过程中,业主成功地将优秀的机电顾问团队与专业的施工队伍相结合,为酒店的高品质建设提供了有力保障。



“ 对酒店品质的追求

业主深知酒店品质对于品牌形象和市场竞争力的重要性,因此在项目建设过程中始终坚持高标准、严要求,以确保每一个细节都达到最佳状态。从酒店的建筑设计到室内的装修装饰,从机电系统的配置到服务设施的完善,都体现了业主对品质的执着追求。


“ 品牌影响力

业主旗下的知音餐饮品牌在本地深耕多年,具有卓越的口碑和较高的品牌知名度。此次将知音餐饮品牌与皇冠假日酒店品牌相结合,不仅为酒店带来了更多的客源和市场关注,还提升了酒店的品牌形象和市场竞争力,为酒店的长期发展奠定了良好的品牌基础。


图片




AWARDS

奖项与认可

图片



卓越新开业酒店奖


苏州东太湖皇冠假日酒店凭借其在开业初期展现出的卓越品质、优质服务以及高效的运营管理,荣获了洲际酒店集团颁发的“卓越新开业酒店奖”。


这一奖项不仅是对其开业以来取得成绩的高度认可,也标志着酒店在行业内的竞争力和影响力得到了显著提升。


图片




年度艺术豪华设计酒店


在荟集平台2025 酒店行业颁奖盛典上,酒店又被授予“年度艺术豪华设计酒店”的荣誉称号。


这一奖项充分彰显了酒店在设计风格、艺术氛围以及整体装修品质等方面的独特魅力和卓越成就,肯定了酒店将太湖文化与现代美学完美融合所创造出的艺术价值和审美体验。


图片




REVIEWS

好评如潮

图片



高分好评 :在携程平台上,苏州东太湖皇冠假日酒店的评分高达4.8分,其中卫生、设施、环境、服务等各项指标均获得4.8分的高评价。住客普遍认为酒店的前台服务态度好,言语轻轻,态度温和,有问题也快速解决;房间设施完善,卫生条件好,一进房间就能感受到适宜的温度;酒店的早餐丰富多样,质量在线。


细节体验良好 :有住客提到酒店的设计感不错,房间内的双洗漱区设计很合理,方便客人使用,无论是出差还是情侣入住都很合适。


餐饮品质突出:酒店的餐饮服务也得到了住客的认可,行政酒廊食物品种丰富,质量较高,能够满足不同客人的口味需求。下午茶时间:13:00~16:30,Happy hour:17:00~20:30。


图片




CROWNE PLAZA

皇冠假日酒店

图片


图片


皇冠假日酒店及度假村是全球首个高端商务型酒店品牌。目前是大中华区规模最大的高端全服务酒店品牌。


皇冠假日酒店及度假村致力于为新时代的差旅及休闲客人提供高效便捷的出行体验,希望客人在旅途中不仅能够提高工作效率,还可以激发灵感,给身体充电。核心特点包括人性化的现代旅居体验以及一站式会议服务体验。




MEPM

柏衡机电

图片


图片

柏衡机电(MEPM)是专业从事商业建筑及公共建筑的机电设计及机电顾问公司,我们的服务以可持续发展为核心,服务范围包含机电系统、弱电智能化及IT、声学及音视频、游泳池等工程技术专业的设计咨询顾问及设计顾问总承包


MEPM专注于高星级酒店、酒店式公寓、商业综合体、产业园区、超高层建筑、5A甲级写字楼、医院及康养中心、文化场馆、运动场馆、智慧工厂等诸多领域的机电设计和机电顾问服务,以完善的“全过程服务体系”为依托,以专业化、全程化的经营思路为准则,为客户提供专业化、严谨化、配套化、安全可靠、连续稳定的机电设计和机电顾问服务,MEPM努力致力于更高的机电安全性、可靠性、稳定性、连续性和完整性。


MEPM 通过全周期技术把控,让机电系统成为酒店可持续发展的 “心脏”,也为行业树立了技术创新、成本优化、艺术融合的新范式。




END


在苏州东太湖皇冠假日酒店,每处艺术装置的灯光温度、每个角落的新风流速、每滴水的循环路径,都凝聚着机电工程师们的智慧。机电系统的优秀设计如同建筑的血液循环,看不见却至关重要。


图片

图片

图片

图片

图片

图片


苏州东太湖皇冠假日酒店工程部经理表示:“很少有客人会注意到我们酒店的水压始终稳定,室温精准控制,灯光永远恰到好处——但正是这些‘看不见’的舒适成就了宾客的满意体验。”这印证了现代酒店业的黄金法则:卓越的入住体验,始于“看不见”的技术深耕。


如今,当宾客在酒店大堂欣赏艺术装置,在客房享受宁静时刻,或在泳池畅游时,背后是一套高效、智能、可靠的机电系统在默默支撑。而20%的工程造价节省不仅体现了机电顾问的专业价值,更证明了技术创新与经济效益可以完美统一。



图片

图片图片

图片



苏州东太湖皇冠假日酒店的机电系统不仅支撑着酒店的日常运营,更成为其可持续发展的核心竞争力。当奖项与赞誉纷至沓来,我们深知,真正的成功来自于那些看不见的科技力量与专业智慧的完美结合。


未来,随着智能建造与绿色技术的深度融合,我们将努力在酒店建设中扮演更关键的角色,让每一座建筑都成为有温度、会呼吸的城市地标。


图片

部分图片来源于网络(版权归原作者所有,如有侵权请立即联系删除)


图片